Jiangsu Gongtang Chemical Equipments Co., Ltd. Jiangsu Gongtang
  • 
  • Beranda
  • Tentang Kami+
    • Profil Perusahaan
    • Fasilitas Perusahaan
    • Sertifikat
    • Pameran
  • Produk+
  • Servis & Layanan
  • Industri
  • Proyek
  • Hubungi Kami
  • Videos
  • Beranda
  • Produk
  • Tangki Penyimpanan Berlapis Kaca
  • Tangki Penyimpanan Berlapis Kaca Vertikal, Tipe Terbuka
Tangki Penyimpanan Berlapis Kaca Vertikal, Tipe Terbuka
  • Tangki Penyimpanan Berlapis Kaca Vertikal, Tipe Terbuka
    Tangki penyimpanan berlapis kaca non-standar dengan penutup datar
  • Tangki Penyimpanan Berlapis Kaca Vertikal, Tipe Terbuka
    Tangki penyimpanan berlapis kaca terbuka dengan indikator level cairan
  • Tangki Penyimpanan Berlapis Kaca Vertikal, Tipe Terbuka
    Tangki penyimpanan berlapis kaca dengan alas penyangga dan sambungan cepat
  • Tangki Penyimpanan Berlapis Kaca Vertikal, Tipe Terbuka
    Tangki penyimpanan berlapis kaca terbuka skala pilot kecil dengan kaki penyangga dan tepi kedap air

Tangki Penyimpanan Berlapis Kaca Vertikal, Tipe Terbuka Bejana penyimpanan tahan korosi dengan penutup yang dapat dilepas Vertical Glass Lined Storage Tank, Open Type

Tangki penyimpanan berlapis kaca terbuka (open-top) dilengkapi flensa welding neck yang sesuai dengan diameter tangki. Tangki ini dirancang untuk tekanan nominal hingga 0,6 MPa, dengan kapasitas 50 L hingga 200.000 L, dan dapat beroperasi pada rentang suhu medium 0°C hingga 150°C.

Permintaan Penawaran

Bejana penyimpanan tahan korosi ini menggabungkan kekuatan baja dengan perlindungan lapisan kaca. Permukaan dalam tangki yang halus menjaga kualitas material, mencegah kontaminasi dari ion logam, serta memberikan stabilitas kimia dan termal. Selain itu, tangki penyimpanan vertikal ini mudah dibersihkan dan dirawat.

Umumnya, tangki ini digunakan dalam industri petroleum, kimia, pestisida, plastik, makanan, pewarna, serat sintetis, dan karet sintetis. Tangki ini memberikan performa andal dan umur pakai panjang untuk berbagai aplikasi.

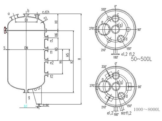
Gambar Teknik
Gambar Teknik
Dimensi Tangki Penyimpanan Berlapis Kaca Tipe Terbuka
Volume nominal L DN D1 D2 D3 H H1 H2 H3 H4 S H5 H6
50 500 350 20 370 835 270 465 / 160 8 / /
100 500 350 20 370 1020 265 655 / 160 8 / /
200 600 360 20 420 1615 300 965 450 150 8 / /
300 700 420 25 490 1567 345 1070 500 205 10 / /
500 800 480 25 560 1950 385 1370 800 160 10 / /
1000 1000 600 25 700 2450 430 1770 1000 200 12 / /
1500 1300 780 30 950 2410 505 1625 800 170 14 / /
2000 1300 780 25 950 2654 505 1970 1200 200 14 / /
3000 1600 960 30 1200 2565 585 1815 1000 190 16 / /
4000 1600 960 30 1200 3065 585 2315 1500 190 16 / /
5000 1600 960 30 1200 3756 585 2784 1200 189 16 450 120
6300 1750 1200 30 1250 3625 625 2800 1200 190 18 450 120
8000 2000 1400 36 1500 3935 700 3020 1200 200 20 450 120
Spesifikasi Nozzle (mm)
Volume nominal L S S1 S2 a b c d e1.2 f1.2 g h
50 8 8 10 80 65 65 65 / / 65 /
100 8 8 10 80 65 65 65 65 / 65 /
200 8 8 10 125 65 65 65 65 / 65 /
300 10 10 10 125 80 65 65 65 / 80 /
500 10 10 10 150 80 80 65 65 / 80 /
1000 12 12 12 150 80 80 80 65 / 80 /
1500 14 14 12 200 100 80 80 65 / 100 80
2000 14 14 12 300×400 100 80 80 65 / 100 80
3000 16 16 12 300×400 100 80 80 65 / 100 80
4000 16 16 12 300×400 100 80 80 65 / 100 80
5000 16 16 12 300×400 125 100 100 65 65 125 100
6300 18 18 20 300×400 125 100 100 65 65 125 100
8000 20 20 20 300×400 125 100 100 65 65 125 125

Kami juga menyediakan Aksesori untuk Peralatan Berlapis Kaca

Butuh Dukungan Teknis Profesional untuk Peralatan Berlapis Kaca?

Teknisi profesional kami menyediakan panduan handal untuk reaktor, tangi penyimpanan, dan berbagai peralatan proses berlapis kaca yang tahan korosi, sesuai untuk aplikasi kimia, farmasi, dan industri lainnya.

  • Terkait Produk
  • Produk Lainnya
Tangki Penyimpanan Berlapis Kaca Vertikal, Tipe Terbuka
Tangki Penyimpanan Berlapis Kaca Vertikal, Tipe Terbuka
Tangki Penyimpanan Berlapis Kaca Vertikal, Tipe Tertutup
Tangki Penyimpanan Berlapis Kaca Vertikal, Tipe Tertutup
Tangki Penyimpanan Berlapis Kaca Horizontal
Tangki Penyimpanan Berlapis Kaca Horizontal
Kolom Berlapis Kaca
Kolom Berlapis Kaca
Penukar Panas/Heat Exchanger Berlapis Kaca
Penukar Panas/Heat Exchanger Berlapis Kaca
Pengering Double Cone Berlapis Kaca
Pengering Double Cone Berlapis Kaca
LIHAT SELENGKAPNYA

Media apa saja yang cocok dan tidak cocok untuk disimpan tangki penyimpanan berlapis kaca?

Tangki penyimpanan ini dapat menahan korosi terhadap asam anorganik, asam organik, pelarut organik, dan basa lemah pada berbagai konsentrasi. Namun tidak cocok untuk menyimpan basa kuat, asam fluorida, media yang mengandung fluorida, atau asam fosfat dengan konsentrasi di atas 30% pada suhu di atas 180°C.

Apa saja jenis tangki penyimpanan berlapis kaca yang tersedia, dan apakah dapat di kustomisasi?

Pilihan tangki penyimpanan berlapis kaca yang tersedia meliputi tangki horizontal, tangki vertikal terbuka (open-top), dan tangki vertikal tertutup (closed-top). Peralatan non-standar juga dapat dirancang dan diproduksi sesuai kebutuhan proyek spesifik Anda.

Material apa yang digunakan untuk tangki vertikal terbuka (open-top) berlapis kaca?

Tangki penyimpanan ini dibuat dari baja dengan pelapisan kaca di bagian dalam. Badan baja memberikan kekuatan dan ketangguhan struktural, sementara lapisan kaca enamel memberikan ketahanan terhadap korosi. Pelapisan kaca juga menghasilkan permukaan halus yang stabil secara kimia, tahan panas pada tingkat tertentu, dan mudah dibersihkan.

Bagaimana kualitas eksternal dan internal tangki penyimpanan vertikal berlapis kaca dinilai?

Kualitas eksternal tangki vertikal berlapis kaca dievaluasi melalui inspeksi visual dan alat pengujian untuk memeriksa cacat permukaan. Sedangkan, kualitas internal dipengaruhi oleh berbagai faktor produksi, termasuk pembentukan bejana, pengelasan, perlakuan permukaan, serta kontrol kualitas yang ketat di setiap tahap manufaktur.

Apa saja pilihan yang tersedia untuk tangki penyimpanan horizontal berlapis kaca?

Kami menyediakan beberapa pilihan tangki penyimpanan horizontal yang bisa Anda pilih. Pertama, kami memiliki tangki dengan bukaan samping yang besar dengan jaket pipa setengan kumparan (half-pipe coil jacket). Tangki ini dapat dilengkapi dengan platform, pagar pengaman, dan tangga untuk mempermudah akses. Selain itu, tersedua tangki dengan evaporator pemanas yang cocok untuk aplikasi yang membutuhkan kontrol suhu presisi.

Jiangsu Gongtang Chemical Equipments Co., Ltd. Jiangsu Gongtang
Manufaktur Peralatan Berlapis Kaca
Tautan
  • Tentang Kami
  • Fasilitas Perusahaan
  • Sertifikat
  • Pameran
  • Servis & Layanan
  • Contoh Proyek
  • Videos
Produk
  • Reaktor Berlapis Kaca
  • Tangki Penyimpanan Berlapis Kaca
  • Kolom Berlapis Kaca
  • Penukar Panas/Heat Exchanger Berlapis Kaca
  • Pengering Double Cone Berlapis Kaca
  • Aksesori
  • Sistem Proses Terpadu
Hubungi Kami
chrisz.jsjjgt@outlook.com
+86-523-89110022
+86-15861003636