Jiangsu Gongtang Chemical Equipments Co., Ltd. Jiangsu Gongtang
  • 
  • Beranda
  • Tentang Kami+
    • Profil Perusahaan
    • Fasilitas Perusahaan
    • Sertifikat
    • Pameran
  • Produk+
  • Servis & Layanan
  • Industri
  • Proyek
  • Hubungi Kami
  • Videos
  • Beranda
  • Produk
  • Reaktor Berlapis Kaca
  • Reaktor Berlapis Kaca, Tipe Tertutup
Reaktor Berlapis Kaca, Tipe Tertutup
Reaktor berlapis kaca dengan rak empat kolom

Reaktor Berlapis Kaca, Tipe Tertutup Bejana Reaksi Tahan Korosi dengan Penutup yang Dilas Permanen Glass Lined Reactors, Close Type

Reaktor berlapis kaca tipe tertutup banyak digunakan dalam industri kimia, petrokimia, farmasi, pewarna, makanan, dan pestisida, dikarenakan membutuhkan ketahanan korosi tinggi serta keandalan jangka panjang. Struktur reaktor tertutup dirancang untuk menghadapi kondisi proses yang berat dengan memberikan stabilitas, daya tahan, dan keamanan operasi yang konsisten.

  • Kapasitas: 50 – 80.000 L
  • Tekanan maksimum: hingga 16 bar (tekanan atmosfer hingga tekanan tinggi)
  • Suhu operasional: –19°C hingga 200°C
  • Standar: CE/JIS/ASME/GB
Permintaan Penawaran
Reaktor Berlapis Kaca, Tipe Tertutup
Reaktor tertutup berlapis kaca skala besar berkapasitas 30.000 L dengan rak empat kolom dan penutup manhole cepat buka
Reaktor Berlapis Kaca, Tipe Tertutup
Reaktor tertutup berlapis kaca berkapasitas 3.000 L dengan penutup cepat buka
Reaktor Berlapis Kaca, Tipe Tertutup
Reaktor berlapis kaca berkapasitas 20.000 L untuk ekspor ke Thailand
Reaktor Berlapis Kaca, Tipe Tertutup
Reaktor berlapis kaca non-standar dengan penutup manhole ganda
Reaktor Berlapis Kaca, Tipe Tertutup
Reaktor berlapis kaca dengan rak empat kolom dan motor roda gigi horizontal
Reaktor Berlapis Kaca, Tipe Tertutup
Reaktor berlapis kaca dengan rak empat kolom, penutup manhole cepat buka, dan flensa yang diperkuat
Reaktor Berlapis Kaca, Tipe Tertutup
Reaktor berlapis kaca berkapasitas 12.500 L dengan peredam kecepatan horizontal dan rak empat kolom
Reaktor Berlapis Kaca, Tipe Tertutup
Reaktor berlapis kaca berkapasitas 10.000 L dengan peredam kecepatan vertikal

Reaktor berlapis kaca tipe tertutup ini dilengkapi dengan jaket untuk pemanas atau pendingin serta pengaduk agitator, sehingga memberikan pencampuran yang efisient dan kontrol yang lebih stabil untuk berbagai proses. Flensa welding neck pada bagian atas (head) memberikan sambungan yang lebih kuat, sementara penggunaan enamel impor berkualitas tinggi memastikan ketahanan korosi yang unggul dan masa pakai panjang.

Tekanan desain internal reaktor ini mencapai 1,0 MPa, dengan kapasitas dari 3.000 L hingga 50.000 L. Jaket memiliki tekanan desain 0,6 MPa, dan bejana reaktor maupun jaket dapat dioperasikan dengan aman pada rentang suhu –20°C hingga 200°C.

Parameter Teknis
Tekanan desain  Internal Segel pengepakan 0,2MPa
Segel mekanis 0,4MPa/1,0MPa
Jaket 0,6MPa
 Rentang suhu Internal -20℃~+200℃
Jaket -20℃~+200℃
Kecepatan agitator Tipe jangkar/rangka 63r/min
Tipe dayung 110r/min~130r/min
Tipe impeller  110r/min~130r/min
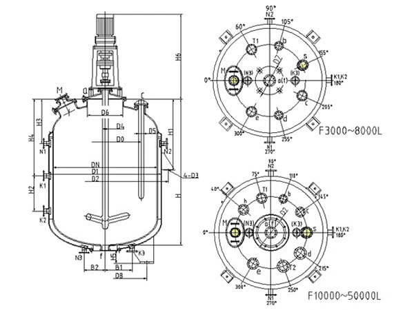
Gambar Teknik
Gambar Teknik
Dimensi Reaktor Berlapis Kaca Tiper Tertutup (mm)
Volume (L) 3000 5000 6300 8000 10000 12500 16000 20000 25000 30000 50000
Item
DN 1600 1600 1750 1750 2000 2200 2400 2400 2400 2600 2800 3200 3400
D0 1120 1220 1220 1220 1400 1540 1680 900 900 975 1050 1200 1500
D1 1750 1750 1900 1900 2200 2400 2600 2550 2550 2750 2950 3350 3600
D2 2029 2029 2200 2200 2502 3744 2940 2812 2812 3060 3335 3866 4378
D3 30 30 30 30 36 36 36 36 36 36 36 36 36
D4 φ95 φ95 φ95 φ95 φ110 φ110 φ110 φ110 φ125 φ140 φ160 φ160 φ180
D5 65×6 65×6 80×6 80×6 95×8 95×8 95×8 95×8 98×8 95×8 110×l2 110×12 125×12
D6 600 600 600 600 800 800 800 800 800 900 1100 1300 2000
D7 450 450 450 450 510 510 510 560 560 650 650 810 940
D8 1300 1300 1400 1400 1505 1645 1785 1785 1785 1925 2065 2345 |
H 2250 3275 2888 3244 3310 3513 3160 3495 3830 4640 5060 4900 6765
H1 1060 1160 1200 1200 1200 1300 1500 1300 1300 1400 1500 1750 2200
H2 / / 800 900 900 950 640 375 600 650 750 600 1700
H3 700 780 750 750 800 1300 1010 900 900 1000 1050 1150 1250
H4 1550 1710 1500 1700 1700 1850 1610 2000 2350 2500 2650 2650 2950
H5 200 200 200 200 355 340 315 315 315 330 250 240 /
H6 1454 1535 1535 1682 1702 1822 1822 1822 1822 2594 2594 2734 3260
B1 540 540 540 540 540 540 540 550 550 550 550 550 550
B2 370 370 370 370 370 370 370 470 470 470 470 470 470
Power (kW) 5.5 7.5 7.5 11 11 18.5 18.5 18.5 22 22 22 30 45
Spesifikasi Nozzle (mm)
Volume (L) 3000 5000 6300 8000 10000 12500 16000 20000 25000 30000 50000
Item
DN 1600 1600 1750 1750 2000 2200 2400 2400 2400 2600 2800 3200 3400
a 150 150 150 150 200 200 200 200 200 250 250 250 250
b 100 100 125 125 150 150 150 150 150 200 200 / /
c 125 125 150 150 150 150 150 150 150 150 150 150 150
d 100 100 125 125 150 150 125 250 250 250 250 250 250
e 125 125 150 150 150 125 125 150 150 150 150 150 150
f 125 125 125 125 125 150 150 150 150 150 150 150 200
h / / / / / 150 150 150 150 200 200 200 /
M 300× 400 300× 400 300× 400 300× 400 300× 400 300× 400 300× 400 300× 400 300× 400 300× 400 300× 400 300× 400 300× 400
S 125 125 125 125 125 125 125 150 150 150 150 150 150
T1 100 100 125 125 200 200 200 200 200 200 200 200 250
T2 / / / / 150 150 150 150 150 200 200 200 200
N1-3 65 65 65 65 65 65 65 80 100 100 100 100 100
K1-3 65 65 65 65 65 65 65 65 65 65 65 80 80

Kami juga menyediakan Aksesori untuk Peralatan Berlapis Kaca

Butuh Dukungan Teknis Profesional untuk Peralatan Berlapis Kaca?

Teknisi profesional kami menyediakan panduan handal untuk reaktor, tangi penyimpanan, dan berbagai peralatan proses berlapis kaca yang tahan korosi, sesuai untuk aplikasi kimia, farmasi, dan industri lainnya.

  • Terkait Produk
  • Produk Lainnya
Reaktor Berlapis Kaca, Tipe Tebuka
Reaktor Berlapis Kaca, Tipe Tebuka
Reaktor Berlapis Kaca, Tipe Tertutup
Reaktor Berlapis Kaca, Tipe Tertutup
Reaktor Berlapis Kaca, Jaket Pipa Setengah Kumparan (Half Pipe Coil Jacketed)
Reaktor Berlapis Kaca, Jaket Pipa Setengah Kumparan (Half Pipe Coil Jacketed)
Tangki Penyimpanan Berlapis Kaca
Tangki Penyimpanan Berlapis Kaca
Kolom Berlapis Kaca
Kolom Berlapis Kaca
Penukar Panas/Heat Exchanger Berlapis Kaca
Penukar Panas/Heat Exchanger Berlapis Kaca
LIHAT SELENGKAPNYA

Apa saja komponen reaktor berlapis kaca tiper terbuka beserta fungsinya?

Reaktor berlapis kaca tipe terbuka terdiri atas beberapa komponen penting, yaitu badan reaktor, penutup yang dapat dilepas, gasket penyegel, serta clamp pengunci. Gasket berfungsi untuk memastikan penyegelan yang rapat antara penutup dan badan reaktor, sementara clamp menjaga keduanya tetap terkunci erat sehingga reaktor aman dan tertutup rapat selama operasi.

Bagaimana variasi tekanan desain dipengaruhi metode penyegelan yang digunakan?

Tekanan desain internal bergantung pada metode penyegelan. Untuk penyegelan dengan packing seal, tekanan desainnya adalah 0,2 MPa. Jika menggunakan mechanical seal, tekanan desain dapat mencapai 0,4 MPa hingga 1,0 MPa, tergantung konfigurasi yang dipilih.

Fitur struktural apa yang tersedia pada reaktor berlapis kaca tipe tertutup (closed-type) untuk memudahkan operasi dan perawatan?

Beberapa model reaktor berlapis kaca tipe tertutup dilengkapi tutup manhole cepat buka serta manhole ganda untuk memudahkan akses inspeksi dan pemeliharaan. Penutup reaktor menggunakan flensa dengan las tumpul (butt-welded) yang memastikan sambungan yang lebih kuat dan mempermudah pemasangan komponen tambahan. Reaktor ini memadukan durabilitas dengan kenyamanan operasional.

Desain jaket mana yang memberikan performa perpindahan panas lebih baik untuk media pemanas atau pendingin berbasis cairan?

Dibandingkan jaket konvensional, jaket pipa setengah kumparan (half-pipe coil jacket) umumnya memberikan perpindahan panas yang lebih baik untuk media pemanas atau pendingin berbasis cairan. Meskipun luas permukaannya sekitar sepertiga lebih kecil dari jaket konvensional, tetapi memiliki laju alir dua hingga tiga kali lebih tinggi. Aliran yang lebih cepat mencegah masalah umum pada desain konvensional, seperti distribusi panas tidak merata atau penumpukan deposit, sehingga panas tersebar lebih merata dan proses menjadi lebih efisien serta stabil.

Saat reaktor beroperasi dengan air pendingin, desain jaket mana yang mencegak korosi lebih baik?

Kami merekomendasikan reaktor berlapis kaca dengan jaket pipa setengah kumparan. Air pendingin sering mengandung ion seperti H⁺ dan Cl⁻ yang dapat mempercepat korosi. Pada jaket konvensional, endapan mudah terbentuk dan memperparah korosi. Sedangkan jaket pipa setengah kumparan memungkinkan aliran yang lebih cepat, sehingga meminimalkan pembentukan deposit dan mengurangi risiko korosi pada dinding reaktor.

Apakah reaktor berlapis kaca dengan jaket pipa setengah kumparan memenuhi persyaratan sertifikasi ekspor Uni Eropa?

Tentu saja, reaktor berlapis kaca dengan jaket pipa setengah kumparan kami telah bersertifikat CE untuk memenuhi permintaan pasar Uni Eropa, serta memenuhi standar Jepang JIS, kode ASME Amerika Serikat, dan standar JB China. Dengan sertifikasi yang lengkap, reaktor kami sepenuhnya memenuhi persyaratan dan standar ekspor ke pasar Uni Eropa.

Jiangsu Gongtang Chemical Equipments Co., Ltd. Jiangsu Gongtang
Manufaktur Peralatan Berlapis Kaca
Tautan
  • Tentang Kami
  • Fasilitas Perusahaan
  • Sertifikat
  • Pameran
  • Servis & Layanan
  • Contoh Proyek
  • Videos
Produk
  • Reaktor Berlapis Kaca
  • Tangki Penyimpanan Berlapis Kaca
  • Kolom Berlapis Kaca
  • Penukar Panas/Heat Exchanger Berlapis Kaca
  • Pengering Double Cone Berlapis Kaca
  • Aksesori
  • Sistem Proses Terpadu
Hubungi Kami
chrisz.jsjjgt@outlook.com
+86-523-89110022
+86-15861003636